Product Summary
The M16JZ47 is a BI-directional triode thyristor.
Parametrics
M16JZ47 absolute maximum ratings: (1)Repetitive Peak Off-State Voltage: 400V; (2)R.M.S On.State Current (Full Sine Waveform Tc=73℃): 16A; (3)I2t Limit Value: 112.5 A2s; (4)Critical Rate of Rise of On.State Current: 50A/μs; (5)Peak Gate Power Dissipation PGM: 5W; (6)Average Gate Power Dissipation: 0.5W; (7)Peak Gate Voltage: 10V; (8)Peak Gate Current: 2A; (9)Junction Temperature: -40℃ to 125℃; (10)Storage Temperature Range: -40℃ to 125℃; (11)Isolation Voltage (AC, t = 1 min.): 1500V.
Features
M16JZ47 features: (1) Repetitive Peak Off.State Voltage: VDRM = 400, 600V; (2) R.M.S On.State Current: IT (RMS) = 16A; (3) High Commutating (dv /dt); (4) Isolation Voltage: VISOL = 1500V AC.
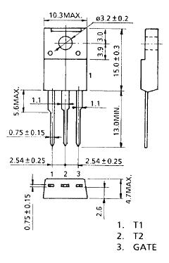
Diagrams

(Hong Kong)






