Product Summary
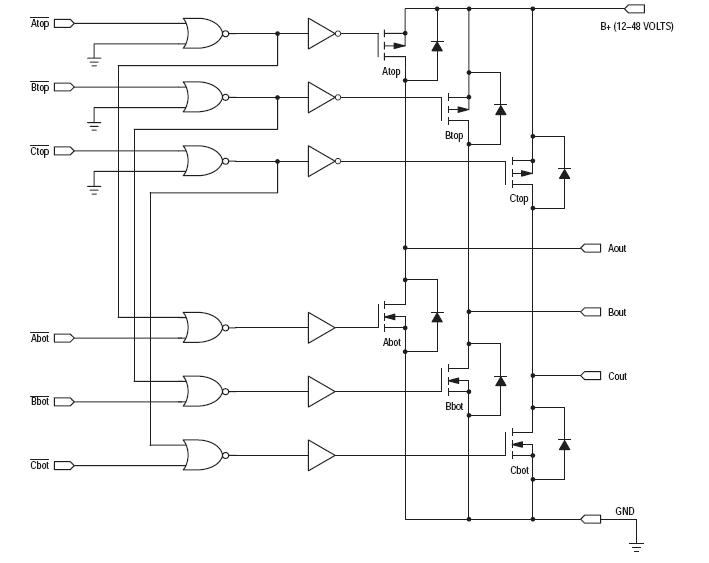
The AN16072A-VT is a MOSFET. It is designed to run Brush or Brushless DC motors with input signals from an ASB124 Motion Control Development Board is presented here. The AN16072A-VT will supply up to 4 amps continuous current from DC bus voltages up to 48 volts.
Parametrics
AN16072A-VT absolute maximum ratings: (1)Power Supply Voltage: 12V to 48V; (2)RMS Motor Current: Two Phases Active: 4Amps, Three Phases Active: 5Amps; (3)Input Current @ VIN = 5V: 500μA; (4)Min Logic 1 Input Voltage: 2.7V; (5)Max Logic 0 Input Voltage VIL: 2.0Volts; (6)Quiescent Current ICC: 25mA; (7)Bus Current Sense Voltage: 250 mV/A; (8)Temperature Sense Voltage: 0.65 Volts; (9)Bus Voltage Sense Voltage: 50 mV/V; (10)Power Dissipation: Two Phases Active: 5.5W, Three Phases Active: 6.75W.
Features
AN16072A-VT features: (1) direct interface between microcomputers and fractional horsepower motors; (2) accepts 6 logic inputs which control 3 complementary Half–Bridge outputs; (3) applicable to pulse width modulated (PWM) systems; (4)suitable for driving fractional horsepower Brush and Brushless DC motors.
Diagrams

![]() |
![]() AN16996A |
![]() Other |
![]() |
![]() Data Sheet |
![]() Negotiable |
|
||||
![]() |
![]() AN168 |
![]() Other |
![]() |
![]() Data Sheet |
![]() Negotiable |
|
||||
(Hong Kong)








