Product Summary
The 6MBI450V-120-50 is an IGBT module. The applications of the 6MBI450V-120-50 include Inverter for Motor Drive, AC and DC Servo Drive Amplifier, Uninterruptible Power Supply, Industrial machines, such as welding machines.
Parametrics
6MBI450V-120-50 absolute maximum ratings: (1)Collector-Emitter voltage VCES: 1200V; (2)Gate-Emitter voltage VGES: ±20V; (3)Collector current Ic Continuous Tc=80℃: 450A; (4)Icp 1ms Tc=80℃: 900A; (5)-Ic: 450A; (6)-Ic pulse 1ms: 900A; (7)Collector power dissipation Pc 1 device: 2250W; (8)Junction temperature Tj: 175℃; (9)Operation temperature Top: 150℃; (10)Storage temperature Tstg: -40℃ to +125℃; (11)Isolation voltage between terminal and copper base; (12) between thermistor and others Viso AC: 1min.: 2500 VAC.
Features
6MBI450V-120-50 features: (1) Compact Package; (2) P.C.Board Mount; (3) Low VCE (sat).
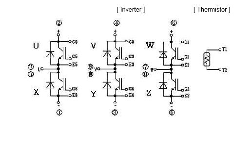
Diagrams

![]() |
![]() 6MBI 25S-120L |
![]() Other |
![]() |
![]() Data Sheet |
![]() Negotiable |
|
||||
![]() |
![]() 6MBI 35S-120L |
![]() Other |
![]() |
![]() Data Sheet |
![]() Negotiable |
|
||||
![]() |
![]() 6MBI 50S-120L |
![]() Other |
![]() |
![]() Data Sheet |
![]() Negotiable |
|
||||
![]() |
![]() 6MBI100F-060 |
![]() Other |
![]() |
![]() Data Sheet |
![]() Negotiable |
|
||||
![]() |
![]() 6MBI100FA-060 |
![]() Other |
![]() |
![]() Data Sheet |
![]() Negotiable |
|
||||
![]() |
![]() 6MBI100FB-060 |
![]() Other |
![]() |
![]() Data Sheet |
![]() Negotiable |
|
||||
(Hong Kong)








