Product Summary
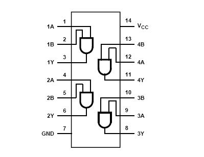
The CD74HC08E is a High-Speed CMOS Logic Quad 2-Input AND Gate. The CD74HC08E utilizes silicon gate CMOS technology to achieve operating speeds similar to LSTTL gates with the low power consumption of standard CMOS integrated circuits. All devices have the ability to drive 10 LSTTL loads. The CD74HC08E is functionally pin-compatible with the standard 74LS logic family.
Parametrics
CD74HC08E absolute maximum ratings: (1)DC Supply Voltage, VCC: -0.5V to 7V; (2)DC Input Diode Current, IIK For VI<-0.5V or VI>VCC + 0.5V: ±20mA; (3)DC Output Diode Current, IOK For VO<-0.5V or VO>VCC + 0.5V: ±20mA; (4)DC Output Source or Sink Current per Output Pin, IO For VO>-0.5V or VO<VCC + 0.5V: ±25mA; (5)DC VCC or Ground Current, ICC or IGND: ±50mA.
Features
CD74HC08E features: (1)Buffered Inputs; (2)Typical Propagation Delay: 7ns at VCC = 5V, CL = 15pF, TA = 25℃; (3)Fan out (Over Temperature Range):Standard Outputs 10 LSTTL Loads, Bus Driver Outputs: 15 LSTTL Loads; (4)Wide Operating Temperature Range: -55℃ to 125℃; (5)Balanced Propagation Delay and Transition Times; (6)Significant Power Reduction Compared to LSTTL Logic ICs; (7)HC Types: 2V to 6V Operation, High Noise Immunity: NIL = 30%, NIH = 30% of VCC at VCC = 5V; (8)HCT Types: 4.5V to 5.5V Operation, Direct LSTTL Input Logic Compatibility, VIL= 0.8V (Max), VIH = 2V (Min); (9)CMOS Input Compatibility, Il≤1μA at VOL, VOH.
Diagrams

| Image | Part No | Mfg | Description | ![]() |
Pricing (USD) |
Quantity | ||||||||||||
|---|---|---|---|---|---|---|---|---|---|---|---|---|---|---|---|---|---|---|
![]() |
![]() CD74HC08E |
![]() Texas Instruments |
![]() Gates (AND / NAND / OR / NOR) Quad 2-Input HS |
![]() Data Sheet |
![]()
|
|
||||||||||||
![]() |
![]() CD74HC08EE4 |
![]() Texas Instruments |
![]() Gates (AND / NAND / OR / NOR) Hi-Speed CMOS Logic Quad 2-Inp AND Gate |
![]() Data Sheet |
![]()
|
|
||||||||||||
(Hong Kong)









