Product Summary
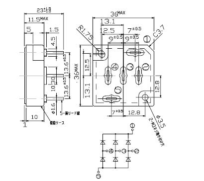
The S20VTA80 is a 3 phase bridge diode. The applications of the S20VTA80 include Big Power Supply, Air conditioner, Factory Automation, Inverter.
Parametrics
S20VTA80 absolute maximum ratings: (1)Storage Temperature: -40℃ to 150℃; (2)Operating Junction Temperature: 150℃; (3)Maximum Reverse Voltage: 800V; (4)Average Rectified Forward Current (50Hz sine wave, R-load, With heatsink, Tc=128℃): 20A; (5)Peak Surge Forward Current (50Hz sine wave, Non-repetitive 1cycle peak value, Rating of per diode, Tj=25℃): 300 A; (6)Current Squared Time (1ms≤tθ10ms TC=25℃): 300 A2s; (7) Dielectric Strength (Terminals to case, AC 1 minute): 2kV; (8) Mounting Torque (Recommended torque: 0.6N×m): 0.8N×m.
Features
S20VTA80 features: (1) Dual In-Line Package; (2) Compact 3 phase bridge; (3) High IFSM; (4) Applicable to mount on glass-epoxy substrate (VTA type).
Diagrams

| Image | Part No | Mfg | Description | ![]() |
Pricing (USD) |
Quantity | ||||
|---|---|---|---|---|---|---|---|---|---|---|
![]() |
![]() S20VTA80 |
![]() Shindengen |
![]() Bridge Rectifiers Bridge |
![]() Data Sheet |
![]() Negotiable |
|
||||
![]() |
![]() S20VTA80-4000 |
![]() Shindengen |
![]() Bridge Rectifiers VRM=800 IFSM=300 |
![]() Data Sheet |
![]() Negotiable |
|
||||
![]() |
![]() S20VTA80-7000 |
![]() Shindengen |
![]() Bridge Rectifiers VRM=800 IFSM=300 |
![]() Data Sheet |
![]() Negotiable |
|
||||
(Hong Kong)









