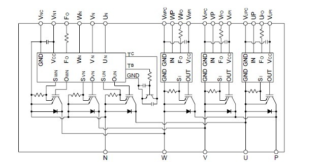
Product Summary
The PM20CSJ060 is an Intellimod-3 Module. It is designed for applications requiring a high frequency (20 kHz) output switching inverter. The PM20CSJ060 is isolated from the Baseplate, consisting of complete drive, control and protection circuitry for the IGBT inverter. The applications of the PM20CSJ060 are Inverters, small UPS, Motion/Servo Control, AC motor control.
Parametrics
PM20CSJ060 absolute maximum ratings: (1)Power Device Junction Temperature:-20℃ to 150℃; (2)Storage Temperature:-40℃ to 125℃; (3)Case Operating Temperature:-20℃ to 100℃; (4)Mounting Torque, M4 Mounting Screws: 0.98 to 1.47Nm; (5) Module Weight (Typical): 60 Grams; (6) Supply Voltage Protected by OC and SC (VD = 13.5V to 16.5V, Inverter Part):400 Volts; (7) Isolation Voltage (Main Terminal to Baseplate, AC 1 min.): 2500 Vrms.
Features
PM20CSJ060 features: (1) Complete Output Power Circuit; (2) Gate Drive Circuit; (3) Protection Logic: Short Circuit, Over Current, Over Temperature, Under Voltage.
Diagrams

| Image | Part No | Mfg | Description | ![]() |
Pricing (USD) |
Quantity | ||||
|---|---|---|---|---|---|---|---|---|---|---|
![]() |
![]() PM20CSJ060 |
![]() |
![]() MOD IPM 6PAC 600V 20A |
![]() Data Sheet |
![]() Negotiable |
|
||||
| Image | Part No | Mfg | Description | ![]() |
Pricing (USD) |
Quantity | ||||
![]() |
![]() PM2001-200 |
![]() Bourns |
![]() EMI Filter Beads, Chokes & Arrays 25% Choke |
![]() Data Sheet |
![]() Negotiable |
|
||||
![]() |
![]() PM2001-200-RC |
![]() |
![]() FERRITE CHIP 20 OHM 25% |
![]() Data Sheet |
![]() Negotiable |
|
||||
![]() |
![]() PM2002-300 |
![]() J.W. Miller |
![]() EMI Filter Beads, Chokes & Arrays 47ohm 25% |
![]() Data Sheet |
![]() Negotiable |
|
||||
![]() |
![]() PM2002-300-RC |
![]() Bourns |
![]() EMI Filter Beads, Chokes & Arrays 47ohms 25% |
![]() Data Sheet |
![]() Negotiable |
|
||||
![]() |
![]() PM2002DP |
![]() Other |
![]() |
![]() Data Sheet |
![]() Negotiable |
|
||||
![]() |
![]() PM2003-300 |
![]() J.W. Miller |
![]() EMI Filter Beads, Chokes & Arrays 25% Choke |
![]() Data Sheet |
![]() Negotiable |
|
||||
(Hong Kong)











