Product Summary
The HP7101 is a high speed CMOS optocoupler. The HP7101 optocoupler combines the latest CMOS IC technology, a new high-speed high-efficiency AlGaAs LED, and an optimized light coupling system to achieve outstanding performance with very low power consumption. The HP7101 requires only two bypass capacitors for complete CMOS/TTL compatibility.
Parametrics
HP7101 absolute maximum ratings: (1)Storage Temperature: -55℃ to 125℃; (2)Ambient Operating Temperature: -40℃ to 85℃; (3)Supply Voltages: 0V to 5.5V; (4)Input Voltage: -0.5V to VDD1+0.5V; (5)Output Voltage: -0.5V to VDD2 +0.5V; (6)Output Enable Voltage: -0.5V to VDD2+0.5V; (7)Average Output Current: 25mA; (8)Package Power Dissipation: 220mW; (9)Lead Solder Temperature: 260℃.
Features
HP7101 features: (1)1μm CMOS IC Technology; (2)Compatibility with All +5V CMOS and TTL Logic Families; (3)No External Components Required for Logic Interface; (4)High Speed: 15 MBd; (5)Low Power Consumption; (6)Safety Approvals UL 1577 (3750 Vac/1 Min) VDE 0884 (V IORM = 848; (7)V peak ) CSA; (8)3-State Output; (9)3750 Vac/1 Minute Dielectric Withstand; (10)High Common Mode Transient Immunity Applications; (11)Multiplexed Data Transmission; (12)Computer-Peripheral Interface; (13)Microprocessor System Interface; (14)Digital Isolation for A/D, D/A Conversion; (15)Instrument Input/Output Isolation; (16)Motor Control; (17)Power Inverter.
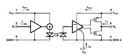
Diagrams

(Hong Kong)






