Product Summary
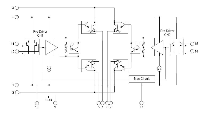
The STK433-100 is a hybrid IC designed to be used in 100W×2ch class AB audio power amplifiers. The application of the STK433-100 is audio power amplifiers.
Parametrics
STK433-100 absolute maximum ratings: (1)Maximum quiescent supply voltage When no signal: ±57V; (2)Maximum supply voltage when RL≥6Ω: ±50V; (3)Minimum operating supply voltage: ±10V; (4)Maximum operating flow-in current: 0.6mA; (5)Thermal resistance: 1.8℃/W; (6)Junction temperature: 150℃; (7)IC substrate operating temperature: 125℃; (8)Storage temperature: -30℃ to 125℃; (9)Allowable load shorted time when VCC=±35V, RL=6Ω, f=50Hz, PO=60W, 1-channel active: 0.3s.
Features
STK433-100 features: (1)Pin-to-pin compatible outputs ranging from 80W to 150W.; (2)Can be used to replace the STK433-000 series (30W to 60W/2ch)and STK433-200/-300 series (3-channel) due to its pin compatibility; (3)Miniature package (67.0mm×25.6mm×9.0mm); (4)Output load impedance: RL = 6Ω supported; (5)Allowable load shorted time: 0.3 second; (6)Allows the use of predesigned applications for standby and mute circuits.
Diagrams

| Image | Part No | Mfg | Description | ![]() |
Pricing (USD) |
Quantity | ||||
|---|---|---|---|---|---|---|---|---|---|---|
![]() |
![]() STK433-100-E |
![]() Other |
![]() |
![]() Data Sheet |
![]() Negotiable |
|
||||
| Image | Part No | Mfg | Description | ![]() |
Pricing (USD) |
Quantity | ||||
![]() |
![]() STK400-010 |
![]() Other |
![]() |
![]() Data Sheet |
![]() Negotiable |
|
||||
![]() |
![]() STK400-030 |
![]() Other |
![]() |
![]() Data Sheet |
![]() Negotiable |
|
||||
![]() |
![]() STK400-050 |
![]() Other |
![]() |
![]() Data Sheet |
![]() Negotiable |
|
||||
![]() |
![]() STK400-060 |
![]() Other |
![]() |
![]() Data Sheet |
![]() Negotiable |
|
||||
![]() |
![]() STK400-070 |
![]() Other |
![]() |
![]() Data Sheet |
![]() Negotiable |
|
||||
![]() |
![]() STK400-080 |
![]() Other |
![]() |
![]() Data Sheet |
![]() Negotiable |
|
||||
(Hong Kong)









