Product Summary
The SFU455A is a Crystal Oscillator. The SFU455A is designed to address the needs of standard AM filtering requirements. These filters are recommended for use in low cost products where economically, efficient designs are critical.
Parametrics
SFU455A absolute maximum ratings: (1) Center Frequency: 455±2KHz; (2)3dB bandwidth: 10±3kHz; (3) Ripple (dB) max. 0; (4) Selectivity F0±9kHz: 4 @ - 10 kHz, 6 @ + 10 kHz; (5) Termination impedance max. : 3k; (6) Spurious Response min. : 5dB; (7)Operating Temperature range: -10℃ t 80℃; (8)With standing Voltage: 50Vdc.
Features
SFU455A features: (1) Center frequency range between 450 and 470 kHz is available. Standard tolerance is ±2 kHz. ; (2) For synthesizers, the types of center frequencies 450, 459 and 468 kHz are available. Standard tolerance is ±1 kHz. ; (3) The part numbers of the types for synthesizers are as follows: (In case of 450 kHz), SFU450A3 (for contact to resistor), SFU450C5 (for contact to resistor).
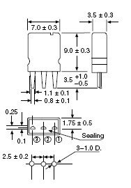
Diagrams

(Hong Kong)






