Product Summary
The RM10TA-24F is a diode module. The applications of the RM10TA-24F include AC motor controllers, DC motor controllers, Battery DC power supplies, DC power supplies for control panels, and other general DC power equipment.
Parametrics
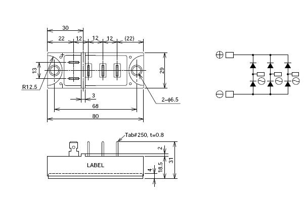
RM10TA-24F absolute maximum ratings: (1)Repetitive peak reverse voltage: 1200V; (2)Non-repetitive peak reverse voltage: 1350V; (3)Recommended AC input voltage: 370V; (4)DC output current: 20A; (5)Surge (non-repetitive) forward current: 200A; (6)I2t for fusing: 1.7×100 A2S; (7)Maximum operating frequency: 1000Hz; (8)Junction temperature: -40℃ to 150℃; (9)Storage temperature: -40℃ to 125℃; (10)Isolation voltage: 2500V; (11)Mounting torque: 20 to 30 Kg×cm; (12)Weight: 120g.
Features
RM10TA-24F features: (1) DC output current: 20A; (2) VRRM Repetitive peak reverse voltage: 1200/1600V; (3)3 phase bridge; (4) Insulated Type; (5) UL Recognized.
Diagrams

![]() |
![]() RM10 |
![]() Other |
![]() |
![]() Data Sheet |
![]() Negotiable |
|
||||
![]() |
![]() RM100 |
![]() Other |
![]() |
![]() Data Sheet |
![]() Negotiable |
|
||||
![]() |
![]() RM100C1A-12F |
![]() Other |
![]() |
![]() Data Sheet |
![]() Negotiable |
|
||||
![]() |
![]() RM100C1A-20F |
![]() Other |
![]() |
![]() Data Sheet |
![]() Negotiable |
|
||||
![]() |
![]() RM100C1A-24F |
![]() Other |
![]() |
![]() Data Sheet |
![]() Negotiable |
|
||||
![]() |
![]() RM100CA-12F |
![]() Other |
![]() |
![]() Data Sheet |
![]() Negotiable |
|
||||
(Hong Kong)








