Product Summary
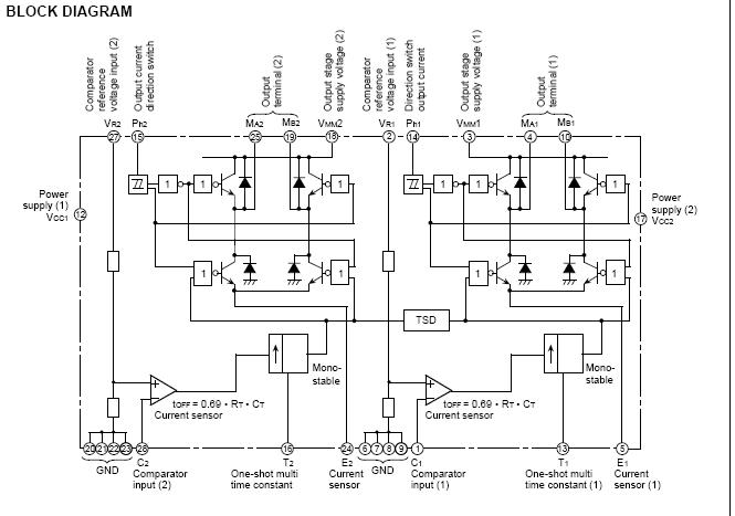
The M54646A is a 2-phase stepper motor driver. The M54646A is a semiconductor IC to drive bipolar stepper motors by controlling winding current with reference to a designated current level. The applications of the M54646A include Office automation equipment such as printers, FDDs, HDDs and facsimiles.
Parametrics
M54646A absolute maximum ratings: (1)Supply voltage: -0.3V to 7V; (2)Output stage supply voltage: -0.3V to 45V; (3)Logic input voltage: -0.3V to 6V; (4)Analog input voltage: -0.3V to VCC V; (5)Reference input voltage: -0.3V to –15V; (6)Logic input current: -10mA; (7)Analog input current: -10mA; (8)Output current: ±1000V; (9)Power dissipation: 1.92W; (10)Operating temperature: -20℃ to 85℃; (11)Storage temperature: -55℃ to 125℃.
Features
M54646A features: (1) Wide driver voltage range (10V to 40V); (2) Wide output current control range (20mA to 800mA); (3) Bipolar and constant current control; (4) Built-in flywheel diode; (5) Built-in thermal protection circuit.
Diagrams

| Image | Part No | Mfg | Description | ![]() |
Pricing (USD) |
Quantity | ||||
|---|---|---|---|---|---|---|---|---|---|---|
![]() |
![]() M54646AP |
![]() Other |
![]() |
![]() Data Sheet |
![]() Negotiable |
|
||||
| Image | Part No | Mfg | Description | ![]() |
Pricing (USD) |
Quantity | ||||
![]() |
![]() M54617P |
![]() Other |
![]() |
![]() Data Sheet |
![]() Negotiable |
|
||||
![]() |
![]() M54640P |
![]() Other |
![]() |
![]() Data Sheet |
![]() Negotiable |
|
||||
![]() |
![]() M54641FP |
![]() Other |
![]() |
![]() Data Sheet |
![]() Negotiable |
|
||||
![]() |
![]() M54641L |
![]() Other |
![]() |
![]() Data Sheet |
![]() Negotiable |
|
||||
![]() |
![]() M54646AP |
![]() Other |
![]() |
![]() Data Sheet |
![]() Negotiable |
|
||||
![]() |
![]() M54649L |
![]() Other |
![]() |
![]() Data Sheet |
![]() Negotiable |
|
||||
(Hong Kong)









