Product Summary
The CDBA140SL-G is a low VF SMD schottky barrier rectifier.
Parametrics
CDBA140SL-G absolute maximum ratings: (1) Max. repetitive peak reverse voltage: 40V; (2)Max. DC blocking voltage: 40V; (3) Max. RMS voltage: 28V; (4) Peak surge forward current, 8.3ms single half sine-wave superimposed on rate load: 35A; (5) Max. average forward current: 1.0A; (6)Max. instantaneous forward voltage at 1.0A: 0.31V; (7)Max. DC reverse current at TA=25℃: 1.0mA; (8)Rated DC blocking voltage TA=80℃: 40mA; (9) Max. thermal resistance: 20℃/W; (10)Max. operating junction temperature: 125℃; (11)Storage temperature: -55℃ to 125℃.
Features
CDBA140SL-G features: (1) Ideal for surface mount applications; (2) easy pick and place; (3) Plastic package has underwriters Lab. flammability classification 94V-0; (4) Built in strain relief; (5) Super low forward voltage drop.
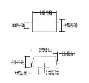
Diagrams

![]() |
![]() CDBA1100-G |
![]() Comchip Technology |
![]() Schottky (Diodes & Rectifiers) SCHOTTKY DIODE 1A, 100V |
![]() Data Sheet |
![]()
|
|
||||||||||||
![]() |
![]() CDBA1150-HF |
![]() |
![]() DIODE SCHOTTKY 150V 1A DO-214AC |
![]() Data Sheet |
![]()
|
|
||||||||||||
![]() |
![]() CDBA1200-HF |
![]() |
![]() DIODE SCHOTTKY 200V 1A DO-214AC |
![]() Data Sheet |
![]()
|
|
||||||||||||
![]() |
![]() CDBA120-G |
![]() Comchip Technology |
![]() Schottky (Diodes & Rectifiers) SCHOTTKY DIODE 1A, 20V |
![]() Data Sheet |
![]()
|
|
||||||||||||
![]() |
![]() CDBA120L-G |
![]() |
![]() DIODE SCHOTTKY 20V 1A DO-214AC |
![]() Data Sheet |
![]()
|
|
||||||||||||
![]() |
![]() CDBA120LL-G |
![]() |
![]() DIODE SCHOTTKY 20V 1A DO-214AC |
![]() Data Sheet |
![]()
|
|
||||||||||||
(Hong Kong)









