Product Summary
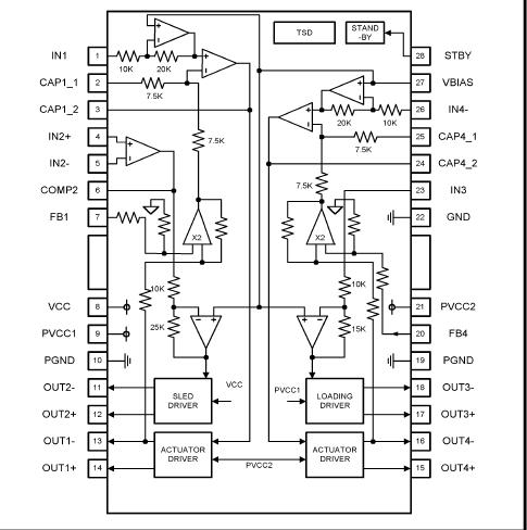
The AT5654H is a 4-channel BTL Motor Driver. Two of them can drive DC motors and two can drive coils, such as the focus and tracking actuators of a CD-ROM/DVD-ROM/DVD-Player system, with current feedback. The applications of the AT5654H include CD-ROM/DVD-ROM/CD-RW drivers, DVD player.
Parametrics
AT5654H absolute maximum ratings: (1)Power supply voltage: 13.5V; (2)Power dissipation: 1.7W; (3)Operating temperature: -30℃ to 80℃; (4)Storage temperature: -55℃ to 150℃.
Features
AT5654H features: (1)2 channels of DC motor BTL driver; (2)2 channels of BTL driver for coils with current feedback; (3)Built-in suspension function; (4)Built-in thermal shutdown circuit; (5)Operating voltage: 4.5V to 13.2V.
Diagrams

![]() |
![]() AT5659 |
![]() Other |
![]() |
![]() Data Sheet |
![]() Negotiable |
|
||||
![]() |
![]() AT5608 |
![]() Other |
![]() |
![]() Data Sheet |
![]() Negotiable |
|
||||
(Hong Kong)








