Product Summary
The TIP41CTU is an NPN epitaxial silicon transistor.
Parametrics
TIP41CTU absolute maximum ratings: (1)Collector-Emitter Voltage: 100V; (2)Collector-Emitter Voltage: 100V; (3)Emitter-Base Voltage: 5V; (4)Collector Current: 6A; (5)Collector Current: 10A; (6)Base Current: 2A; (7)Collector Dissipation (TC=25℃): 65W; (8)Collector Dissipation (Ta=25℃): 2W; (9)Junction Temperature: 150℃; (10)Storage Temperature: - 65℃ to 150℃.
Features
TIP41CTU feature: Complementary to TIP42/TIP42A/TIP42B/TIP42C.
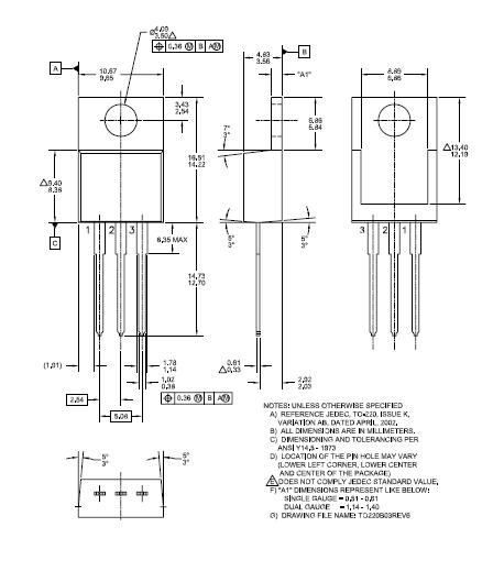
Diagrams

| Image | Part No | Mfg | Description | ![]() |
Pricing (USD) |
Quantity | ||||||||||||
|---|---|---|---|---|---|---|---|---|---|---|---|---|---|---|---|---|---|---|
![]() |
![]() TIP41CTU |
![]() Fairchild Semiconductor |
![]() Transistors Bipolar (BJT) NPN Epitaxial Sil |
![]() Data Sheet |
![]()
|
|
||||||||||||
![]() |
![]() TIP41CTU_F138 |
![]() Fairchild Semiconductor |
![]() Transistors Bipolar (BJT) NPN/100V/6A |
![]() Data Sheet |
![]() Negotiable |
|
||||||||||||
(Hong Kong)










