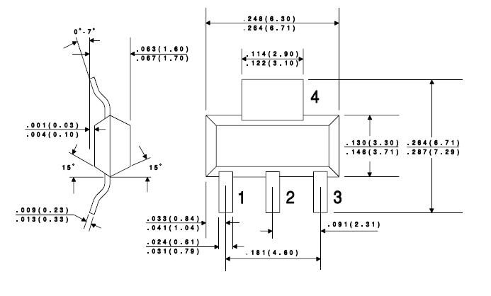
Product Summary
The central semiconductor CZT5551TR-LF type is an NPN silicon transistor manufactured by the epitaxial planar process, epoxy molded in a surface mount package, designed for high voltage amplifier applications.
Parametrics
CZT5551TR-LF absolute maximum ratings: (1)Collector-Base Voltage VCBO: 180V; (2)Collector-Emitter Voltage VCEO: 160V; (3)Emitter-Base Voltage VEBO: 6.0V; (4)Collector Current IC: 600mA; (5)Power Dissipation PD: 2.0W; (6)Operating and Storage; (7)Junction Temperature TJ, Tstg: -65℃ to +150℃; (8)Thermal Resistance θJA: 62.5℃/W.
Features
CZT5551TR-LF features: (1)ICBO VCB=120V: 50nA; (2)ICBO VCB=120V, TA=100℃: 50mA; (3)IEBO VEB=4.0V: 50nA; (4)BVCBO IC=100μA: 180 V; (5)BVCEO IC=1.0μA: 160 V; (6)BVEBO IE=10μA: 6.0 V; (7)VCE(SAT) IC=10mA, IB=1.0mA: 0.15 V; (8)VCE(SAT) IC=50mA, IB=5.0mA: 0.20 V; (9)VBE(SAT) IC=10mA, IB=1.0mA: 1.00 V; (10)VBE(SAT) IC=50mA, IB=5.0mA: 1.00 V
Diagrams

![]() |
![]() CZT5401 |
![]() Other |
![]() |
![]() Data Sheet |
![]() Negotiable |
|
||||||||||||
![]() |
![]() CZT5551 |
![]() Other |
![]() |
![]() Data Sheet |
![]() Negotiable |
|
||||||||||||
![]() |
![]() CZT5551 1000 PC REEL |
![]() Central Semiconductor |
![]() Transistors Bipolar (BJT) NPN High Voltage |
![]() Data Sheet |
![]() Negotiable |
|
||||||||||||
![]() |
![]() CZT5551 TR |
![]() Central Semiconductor |
![]() Transistors Bipolar (BJT) NPN High Voltage |
![]() Data Sheet |
![]()
|
|
||||||||||||
![]() |
![]() CZT5338 |
![]() Other |
![]() |
![]() Data Sheet |
![]() Negotiable |
|
||||||||||||
(Hong Kong)










